找回密码
 立即注册
搜索
查看: 212|回复: 0

[浙教版] (九上)第22课 电能(解析版)(导学案1)

[复制链接]

4万

主题

224

回帖

19万

积分

管理员

积分
194640
发表于 2026-3-25 03:45:33 | 显示全部楼层 |阅读模式
22  电能

课程标准
学习目标
  • 理解电能与电能表的使用
  • 电能与电功率的计算
  • 焦耳定律与非纯电阻电路
1.准确判断物质变化是物理变化还是化学变化
2.探究物质发生变化的过程以及现象
3.准确描述物质变化的类型以及表现出的形式

观察下列电器,判断其工作原理

e5b390ed8613406dc2bca76a7ba4783a.png
90a732a581478912897791ed1fdc4531.png
4a8902e24b666397aeff845b3afded6c.png
电能表电冰箱空调

ea8aac8ecf88c795f00fead65b8e6f0f.png
acbb32bb4b3917255ea416aa62395037.png
             微波炉                                            电动汽车

电功
1.定义:电流通过某段电路所做的功叫电功。
2.实质:电流做功的过程,实际就是电能转化为其他形式的能(消耗电能)的过程;电流做多少功,就有多少电能转化为其他形式的能,就消耗了多少电能。
电流做功的形式:电流通过各种用电器使其转动、发热、发光、发声等都是电流做功的表现。
3.规定:电流在某段电路上所做的功,等于这段电路两端的电压,电路中的电流和通电时间的乘积。
4.单位:国际单位是焦耳(J)常用单位:度(kwh)   1度=1千瓦时=1kwh=3.6×106J
5.测量电功:

a1a2be5e5a1aa394fe4e66b657fd65a2.jpg
⑴电能表:是测量用户用电器在某一段时间内所做电功(某一段时间内消耗电能)的仪器。
⑵电能表上“220V”“5A”“3000R/kwh”等字样,分别表示:电电能表额定电压220V;允许通过的最大电流是5A;每消耗一度电电能表转盘转3000转。
⑶读数:A、测量较大电功时用刻度盘读数。
  ①最后一位有红色标记的数字表示小数点后一位。
②电能表前后两次读数之差,就是这段时间内用电的度数。
二.电功率的计算
1.定义:电流在单位时间内所做的功
2.物理意义表示电流做功快慢的物理量。灯泡的亮度取决于灯泡的实际功率大小。 
3.电功率计算公式:P=UI=W/t(适用于所有电路)
 对于纯电阻电路可推导出:P=I2R=U2/R
  ①串联电路中常用公式:P=I2R    P1P2P3:…Pn=R1R2R3:…:Rn
  ②并联电路中常用公式:P=U2/R     P1P2=R2R1
  ③无论用电器串联或并联。计算总功率    常用公式P=P1+P2+Pn
4.单位:国际单位瓦特(W  用单位千瓦(kw
5.额定功率和实际功率:
⑴额定电压:用电器正常工作时的电压。
额定功率:用电器在额定电压下的功率。P额=U额I额=U2额/R
某灯泡上标有“PZ22OV-25”字样分别表示:普通照明,额定电压220V,额定功率25W的灯泡。
若知该灯“正常发光”可知:该灯额定电压为220V,额定功率25W,额定电流I=P/U=0.11A 灯丝阻值R=U2/P=2936Ω。
⑵当U=U时,P=P 用电器正常工作(灯正常发光)
UU时,PP 用电器不能正常工作(灯光暗淡),有时会损坏用电器
6.家庭电路电功率的计算
使用公式P=W/t  ,如电能表使用消耗电能多少千瓦时,可根据1千瓦时是功率为一千瓦的用电器工作一小时消耗的电能,可根据比例计算用电器电功率。
.焦耳定律及电热
1.焦耳定律: 
(1)1841年,英国物理学家焦耳发现载流导体中产生的热量Q(称为焦耳热)与电流I 的平方、导体的电阻R、通电时间t成正比,这个规律叫焦耳定律。
焦耳定律是一个实验定律。它的适用范围很广,纯电阻电路、非纯电阻电路在计算电热时都用到它。

97ca0085238b6ec6eb7cf805d4905827.png
(2)热功率:单位时间内导体的发热功率叫做热功率.热功率等于通电导体中电流I的二次方与导体电阻R的乘积.
(3)电功率与热功率:对纯电阻电路,电功率等于热功率   
即: P=I*U=I2R=U2/R
此时,可得U=IR,所以纯电阻电路也可以说是欧姆定律成立的电路
对非纯电阻电路,电功率等于热功率与转化为除热能外其他形式的功率之和.
2.电热
(1)电热:由于导体的电阻,使电流通过导体时消耗的电能中转化为内能的那一部分能量叫电热。
(2)内容:电流通过导体时产生的热量等于电流的平方、导体的电阻和通电时间的乘积。
(3)公式:Q=I2Rt.
(4)适用对象:凡是要计算电热,都应首选Q=I2Rt,可求任何电路中电流I通过电阻R时所产生的热量。
3.热功率的意义及计算
1)热功率:单位时间内发热的功率叫作热功率。热功率即电能转化为内能的功率,
即:P=Q/t=I2R
2)热功率计算:当电路不是纯电阻电路时,电功用W=UIt来计算,电热Q只能用Q=I2Rt进行计算,电功率用P=IU计算,热功率只能用P=I2R
计算。
4.电热的档位问题:
1)串联电路:如图所示R1>R2根据P=U2/R可得出
高温档:R2单独工作中温档:R1单独工作低温档:R1,R2同时工作
2)并联电路:如图所示R1>R2根据P=U2/R可得出
高温档:R1,R2同时工作中温档:R2单独工作低温档:R1单独工作

7bf40aaee3c4b99e1825666c56ed12e6.png
1adc268265e35b77ba68cff3cc5c39e7.png
.纯电阻电路与非纯电阻电路
1.纯电阻电路:电能全部转化为内能
2.非纯电阻电路:电能转化为内能和其它形式能。其中:内能应只占少部分。
对于含电动机的电路,其它形式能为机械能;对于含电解槽的电路,其它形式能为化学能。<Object: word/embeddings/oleObject1.bin>
3.总功率:P=IU
4.热功率:P=I2R
.电池容量的计算

b1dc116741b94f38f33208a63ead64d2.png
b60e9eb4688bd6a559370f17738e324e.png
1.定义:电池容量是衡量电池性能的重要性能指标之一,它表示在一定条件下电池放出的电量,即电池的容量,通常以·小时为单位
2.计算:由W=UIt可知:电池携带的功为:电容量乘以输出电压。

一、选择题
1.有两个电路元件A和B,流过元件的电流与其两端电压的关系如图所示,下列说法正确的是(  )

58987d75c91f4f042da130901f621a9a.png
A.A的电阻值为<Object: word/embeddings/oleObject2.bin>
B.当A和B串联,两者电阻相同时,电源电压为3V
C.A和B串联,电路中电流为0.4A时,A、B的电压之比为5∶4
D.A和B并联在电压为2.5V的电源两端,A、B的电功率之比为5∶4
2.小灿学习了焦耳定律的知识后,设计了如图所示装置探究电流产生的热量与哪些因素有关。其中甲、乙、丙三个密闭容器中密封着等量的空气,请你分析下列相关说法错误的是(  )

a00c1dd00542a5d81dbd49af8dee297b.png
A.甲、乙可以研究电流产生的热量与电阻的关系
B.甲、丙可以研究电流产生的热量与电流的关系
C.通电一段时间后,U形管中两侧的液面高度差最大的是丙
D.U形管中液面高度的变化用来反映电流产生的热量的多少
3.小科设计了一个具有加热和保温功能的电热器模型,加热与保温的功率之比为3∶1,其中R1=10Ω、R2=20Ω,若电源电压不变,则符合小科要求的电路图是(  )
A.
1f60fe324c55f919141a80c54383561c.png B.
a124dde2ca05dd8898fa8448129df1c7.png C.
7b7c1ef8803bf71a0b4b7c1da0295fe9.png D.
1fb9f14211662a1fe6b86c0851f9008b.png
4.小科用如图所示的电路探究“电流通过导体产生热量多少与电阻的关系”,下列说法正确的是(  )

5392e6b8d1c0da0384d6f786a54e6b96.png
A.玻璃管越粗实验现象越明显
B.两烧瓶中分别装等质量的水和煤油
C.需控制两烧瓶中电阻丝的长度、横截面积、材料均相同此
D.该装置还可研究电流通过导体产生的热量与电流大小的关系
5.两个灯泡Ll和L2额定电压均为6V,将两灯串联后接入电路中,接通后发现L2要亮一些,则下列判断正确的是 (  )
A.L1的电阻比L2大        B.串联时L1两端电压比L2
C.L2的额定功率比L1大        D.若两灯并联,通过L1的电流比L2
6.如图所示电路中的a、b、c为三只电表(电压表或电流表),闭合开关S,标有“6V  6W”的灯泡L1正常发光,标有“12V  6W”的灯泡L2虽能发光但较暗,若不考虑温度对灯丝电阻的影响,下列说法正确的是(  )

4ce73a358711a76f449918cefffc2394.png
A.电路总功率为7.5 W        B.电表a为电流表,且示数为1A
C.电表b为电压表,且示数为6 V        D.电表c为电压表,且示数为12 V
7.标有“6V1.5W”的小灯泡,通过它的电流随两端电压变化的关系如图所示,若把这样的两只灯泡串联起来,接在8伏的电源两端,则电路的总功率为(  )

c3b1c4a405cf238b6f656a8d9d7e458a.png
A.0.8W        B.1.6W        C.2.4W        D.3.2W
8.如图所示是电阻甲和乙的UI图像,下列说法正确的是(  )

49fd5a3ee73889cdb589772ea8abe852.png
A.甲、乙两元件的电流与电压都成正比
B.乙元件是一个定值电阻且阻值大小为10Ω
C.甲、乙并联在电路中,当电源电压为2V时,电路的总电流为0.3A
D.甲、乙串联在电路中,当电路电流为0.2A时,甲的功率为0.6W
9.如图所示电路中,电源电压为12V,在ab间接入灯L1“6V 2W”,闭合开关,调节滑动变阻器的滑片P使灯L1正常发光;断开开关,取下灯L1,保持滑片P的位置不变,若在ab间接入灯L2“6V 3W”,闭合开关,则(  )

01e74a13889b935fd19eb45ca8fab6b1.png
A.灯L2正常发光        B.滑动变阻器接入电路的电阻为5Ω
C.通过L2的电流为0.4A        D.滑动变阻器和灯L2每秒做功5J
10.如图为某电子秤的简化电路,<Object: word/embeddings/oleObject3.bin>是定值电阻,<Object: word/embeddings/oleObject4.bin>是压敏电阻,其阻值随压力增大而减小,电源电压不变,闭合开关S,当<Object: word/embeddings/oleObject5.bin>上方压力增大时,下列描述正确的是(  )

64bcec510a46c61e20d619f3995778a0.png   
A.电压表示数变小        B.通过<Object: word/embeddings/oleObject6.bin>的电流变小
C.电路的总电阻变大        D.电路的总功率变大
二、填空题
11.小齐家最近购买了一辆电动汽车,为了测量电动汽车充电器的功率,晚上11点整,他关闭了家中其他用电器,使用充电器对电动汽车进行充电,同时记下了开始充电时电能表的读数
57f0b941c26e2350a60ed920a4c98d8e.png ,小齐于第二日早晨发现正好8点完成充电,此时,电能表如图所示,不考虑能量损失,电动汽车充满一次电获得的能量为 kW·h,该汽车充电器的电功率为W。

3dc944e722e2b7109d972bf0cf1af543.png
三、探究题
12.学习小组开展“测量小灯泡的功率”实验,实验电路如图甲,绘制出小灯泡的<Object: word/embeddings/oleObject7.bin>关系曲线如图乙,已知小灯泡的额定电压为3.8V,电源电压恒为6V。

05f2ef8de07658b650e7171df67d5c3b.png   
(1)依据图甲,请在答卷上用笔画线代替导线,将图乙中的实物图补充完整;
(2)闭合开关后移动变阻器的滑片,当电压表示数为V时,读出电流表示数,即可计算小灯泡的额定功率;
(3)实验时,变阻器的滑片向右移动过程中,电流表与电压表示数的比值将(选填“变大”、“不变”或“变小”)。
13.如图所示是测定“小灯泡电功率”实验的装置图,选用2节新干电池、额定电压为2.5伏的小灯泡和滑动变阻器。请回答:

ad1067a8a3fc692f84db4e426cdc3e3b.jpg   
(1)请用笔画线代替导线,将图甲中电路连接完整;
(2)正确连接电路后,闭合开关,发现小灯泡不亮,电流表、电压表均有正常偏转,但偏转角度较小。则接下来应进行的操作是;
A.更换小灯泡
B.检查电路是否断路
C.移动滑动变阻器滑片,观察灯泡发光情况
(3)调节滑片P至某位置时,小灯泡恰好正常发光,此时电流表示数如图乙所示,则小灯泡的
额定功率为瓦;
(4)在滑动变阻器滑片移动过程中,电路消耗的总功率、小灯泡消耗的功率随电流变化如图丙所示,请判断随电流增大,滑动变阻器的功率大小变化是。
14.小科用如图的实验装置探究“电流通过导体产生的热量与哪些因素有关”,相同的两个透明容器中密封着等量、等温的空气。

32cf5df9b840f6d1628a2c18e9b4d0e8.png
(1)本实验是通过观察的变化来反映电流产生热量的多少;
(2)图甲中的A、B两管,在通电时间相等时,B管液面上升得更高,说明电流通过导体产生热量的多少与有关;
(3)用乙图中的装置探究“电流产生热量的多少与电流大小是否有关”时,右边容器中应选用阻值为的电阻丝。
15.小明用图1所示电路来测量小灯泡的电功率(部分器材的规格已标明)。

040b7ce66f29d40bce805568d90d7e41.png
(1)闭合开关进行实验,小明发现无论怎样调节滑动变阻器,电压表示数始终为3V,而电流表示数始终为零。已知仅图1中导线①、②或③中的一根发生故障,请指出发生故障的导线,并写出故障名称:;
(2)小明进行了六次实验,记录实验数据并在U-图像中描点,得到小灯泡两端的电压与电流的关系图像如图2所示。则根据记录的数据和图像可知:
①小灯泡的额定功率为W;
②实验中所使用的滑动变阻器的规格可能为;
A.5Ω 2A            B.10Ω 2A            C.20Ω 1A            D.30Ω 1A
(3)实验结束后,小明继续对滑动变阻器两端电压与通过它的电流关系进行探究,画出了对应的U-图像(如图3),请你在图中“①”、“②”或“③”三条虚线中选择正确的一条,并说明你选择的依据。
16.小灯泡L的额定电压为3V,它的I-U图像如图甲所示,把灯泡接入如图乙所示的电路中,先将滑动变阻器的滑片P移至B端,闭合开关,电压表示数为l.5V;再将滑片P向左移动直到电压表示数为3V。已知电源电压恒定,滑动变阻器的铭牌上标有“10Ω 2A”。下列说法中错误的是(  )

7cbe4c7209a3aac2c3ebb220a821ac99.png
A.电源电压为4.5V
B.灯泡正常发光时,滑动变阻器消耗的电功率为2.5W
C.灯泡正常发光时,滑动变阻器接入电路的阻值为3Ω
D.灯泡的额定功率为1.5W
17.小金利用图甲的电路测量小灯泡的电功率。小灯泡的额定电压为2.5伏。

a19aa2b30a0ab02eaf66610c4714c57e.png
(1)闭合开关,调节滑动变阻器,使小灯泡两端电压为2.5伏,此时电流表示数如图乙。则小灯泡的额定功率为瓦;
(2)调节滑动变阻器,记录多组电压、电流数据,计算小灯泡对应功率,完成实验,图丙是小金作出的小灯泡I-U图像。关于小灯泡功率P与通过其电流平方I2的关系。如图所示的图像中最合理的是。
A.
66ca0a90c18a2e010fc1f692b568cfa2.png B.
83ea9c8343d55d5336baf9ded024b894.png C.
a746ff469f46ee09078a979c9baaaf66.png D.
890c23e547a0a2d376b3f8e7fa3b8252.png
(3)小灯泡的亮度是由实际功率决定的,若将标有“220V 40W”灯泡L1和标有“220V 60W”灯泡L2串联后接到家庭照明电路中,灯泡更亮。
四、简答题
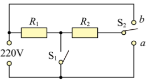
18.科技改变生活,随着智能技术的高速发展,智能家电已越来越多地走进千家万户。如图甲为某品牌智能炒菜机,内部电路可简化为图乙。已知额定电压为220伏,电动机的额定功率是40瓦,发热体有两个电阻,R1=24.2欧,R2=96.8欧。

9d83c0c3efb24bd84bab68e35a6fbabe.png   
(1)“智能炒菜机”在烹制食物时,主要利用了电流的;
(2)当“智能炒菜机”处于低温挡时,发热体的功率是多少;
(3)当“智能炒菜机”处于高温挡正常工作30分钟,求整个电路消耗的电能。
19.如图为家用电饭锅的简化电路图。该电饭锅有加热和保温两挡,由开关S调节,其中R1R2均为发热电阻,且阻值不随着温度的变化而改变。额定电压为220V,正常加热时功率为1210W,电饭锅处于“保温”状态下正常工作5分钟耗电2.64×104焦。求:
(1)该电饭锅正常加热时的电流强度;
(2)该电饭锅保温时的功率P保温
(3)电阻R2的阻值;

73acedfba7eb8760c3b7b0c49833d3b3.png   
20.小滨同学用一个电流表和阻值为20Ω的电阻<Object: word/embeddings/oleObject8.bin>测某未知电阻<Object: word/embeddings/oleObject9.bin>的阻值,设计的电路如图所示。只闭合开关S时,电流表的示数为0.3A;同时闭合开关S、<Object: word/embeddings/oleObject10.bin>后,电流表的示数为0.5A,电源电压保持不变。求
(1)电源电压;
(2)电阻<Object: word/embeddings/oleObject11.bin>阻值;
(3)同时闭合S、S1,2分钟,电阻<Object: word/embeddings/oleObject12.bin>消耗的电能?

47d814160e54b4a5284063da6a328fbf.png
参考答案
1D
解析A.由图象可知,当通过A的电流IA=0.4A时,A两端的电压UA=2.0VA的电阻值
<Object: word/embeddings/oleObject13.bin>
A错误;
B.当AB串联,两者电阻相同时,它们两端的电压和通过的电流相等,由图象可知,电路中的电流为0.6A,两元件两端的电压均为3V时符合,因串联电路中总电压等于各分电压之和,所以,电源的电压
<Object: word/embeddings/oleObject14.bin>
B错误;
CAB串联,电路中电流为0.4A时,因串联电路中各处的电流相等,所以,通过两电阻的电流
IA=IB=0.4A
由图象可知,两元件两端的电压UA=2.0VUB=2.5V,由P=UI可得,AB的电功率之比
<Object: word/embeddings/oleObject15.bin>
C错误;
DAB并联在电压为2.5V的电源两端时,因并联电路中各支路两端的电压相等,所以,元件两端的电压
<Object: word/embeddings/oleObject16.bin>
由图象可知,通过两元件的电流   <Object: word/embeddings/oleObject17.bin>    <Object: word/embeddings/oleObject18.bin>
AB的电功率之比            <Object: word/embeddings/oleObject19.bin>
D正确。
故选D
2C
解析A.甲、乙中,通过它们的电流和通电时间相等,电阻不同,根据控制变量法,可以研究电流产生的热量与电阻的关系,故A正确,不符合题意;
B.甲、丙中,电阻和通电时间相等,通过甲的电流大于通过丙的电流,根据控制变量法,可以研究电流产生的热量与电流的关系,故B正确,不符合题意;
C.甲、乙中,通过它们的电流和通电时间相等,由Q=I2Rt知道,乙的电阻大,则乙产生的热量大于甲产生的热量;甲、丙中,电阻和通电时间相等,通过甲的电流大于通过丙的电流,由Q=I2Rt知道,,甲产生的热量多;综上可知,在通电相同时间下,三个容器中产热最多的是乙容器,故C错误,符合题意;
D.探究电流产生的热量与哪些因素有关,利用转换法,本实验中,通过U形管两侧液面高度差反映电流产生的热量多少,故D正确,不符合题意。
故选C
3D
解析A.由电路图可知,两开关均闭合时,R1R2并联,由并联电路中各支路两端的电压相等可知,电路的总功率                       <Object: word/embeddings/oleObject20.bin>
当只闭合上面开关时,电路为R1的简单电路,电热器处于保温状态,电路的总功率   <Object: word/embeddings/oleObject21.bin>
所以加热与保温的功率之比     <Object: word/embeddings/oleObject22.bin>
A不符合题意;
B.由电路图可知,上面开关闭合,下面开关接R1时,电路的总电阻最小,总功率最大,电热器处于加热状态,下面开关接R2时电热器处于保温状态,所以加热与保温的功率之比
<Object: word/embeddings/oleObject23.bin>
B不符合题意;
C.由电路图可知,两开关均闭合时电路为R2的简单电路,电路的总电阻最小,总功率最大,处于加热状态;只闭合上面开关时R1R2串联,处于保温状态,所以加热与保温的功率之比
<Object: word/embeddings/oleObject24.bin>
C不符合题意;
D.由电路图可知,两开关均闭合时电路为R1的简单电路,电路的总电阻最小,总功率最大,处于加热状态;只闭合上面开关时R1R2串联,处于保温状态,所以加热与保温的功率之比
<Object: word/embeddings/oleObject25.bin>
D符合题意。
故选D
4D
解析AB.电阻丝产生的热量不易直接观察,由转换法,可使等质量初温相同的同种物质吸收热量,根据<Object: word/embeddings/oleObject26.bin>,由温度变化确定产生的热量多少;故玻璃管越细,变化幅度越大,实验现象越明显,故AB错误;
C.探究电流通过导体产生热量多少与电阻的关系,要控制电流和通电时间相同,只改变电阻大小,故两烧瓶中电阻丝阻值应不同,若控制两烧瓶中电阻丝的长度、横截面积、材料均相同,则两电阻丝阻值相同,故C错误;
D.研究电流通过导体产生的热量与电流大小的关系,要控制电阻和通电时间相同,只改变电流大小。上图中,将任一个电阻丝作为研究对象,通过移动变阻器的滑片可改变电路的电流大小,而控制通电时间相同,即可研究电流通过导体产生的热量与电流大小的关系,故D正确。
故选D
5D
解析AB.两灯串联,通过两灯的电流相等,L2要亮一些,L2的实际功率大,根据P=I2RL2的电阻大,根据U=IR可知,L2的电压大,故AB错误;
C.根据<Object: word/embeddings/oleObject27.bin>,因额定电压相等,L2的电阻大,故L2的额定功率小,故C错误;
D.若两灯并联,两灯的电压相等,L1的电阻小,根据<Object: word/embeddings/oleObject28.bin>,故通过L1的电流比L2大,故D正确。
故选D
6A
解析C.由P=UI可得,两灯泡正常发光时的电流分别为  <Object: word/embeddings/oleObject29.bin>  <Object: word/embeddings/oleObject30.bin>
因灯泡L1正常发光,灯泡L2虽然发光但较暗,所以,通过L1L2的电流不相等,L1L2应并联,则a一定是电流表,b是相当于导线的电流表,c是相当于开路的电压表,故C错误。
D.此时电流表a测干路电流,电流表bL2支路的电流,电压表c测电源的电压,因并联电路中各支路两端的电压相等,且灯泡L1正常发光,所以,电源的电压    U=U1=6V
即电压表c的示数为6V,故D错误;
AB.灯泡L2的电阻              <Object: word/embeddings/oleObject31.bin>
此时通过L2的电流            <Object: word/embeddings/oleObject32.bin>
因并联电路中干路电流等于各支路电流之和,所以,干路电流表a的示数    I=I1+I2′=1A+0.25A=1.25A
则总功率                         P=UI=6V×1.25A=7.5W
B错误,A正确。
故选A
7B
解析】两灯泡串联时,由于两只灯泡的规格相同,所以两灯泡分得的电压相同,则两只灯泡串联接在U=8V的电源两端时,每只灯泡两端的电压都为4V,由图像知道,当U=4V时,I=0.2A,由于串联电路处处电流相等,所以电路电流为0.2A,电路的总功率     P=UI=8V×0.2A=1.6W
B符合题意
故选B
8C
解析AB.由图象可知,甲的图像是一条直线,甲元件的电流与电压成正比,乙元件中电流与两端电压图象不是过原点直线,说明乙元件的电流与电压不成正比,即乙的电阻不是定值,故AB错误;
C.甲、乙并联在2V电源时,甲和乙电压都为2V,由图象可知    I=0.1AI=0.2A
干路电流                      I=I+I=0.1A+0.2A=0.3A
C正确;
D.由图像得,甲、乙串联在电路中,当电路电流为0.2A时,甲的电压为4V,甲的功率为
P=UI=4V×0.2A=0.8W
D错误。
故选C
9C
解析】由图知,当ab间接入灯泡时,灯泡与滑动变阻器串联;电压表测灯泡两端的电压;
A.因两灯的额定电压相同,额定功率不同,根据<Object: word/embeddings/oleObject33.bin>可知,两灯的电阻不同,因灯L1,正常发光时,其两端的电压为6V,保持滑片P的位置不变,接入灯L2时,因两灯的电阻不同,由串联分压原理可知,ab间的电压会发生变化,所以灯L2不会正常发光,故A不符合题意;
BL1灯正常发光时的电流为       <Object: word/embeddings/oleObject34.bin>
根据串联电路电压的规律,滑动变阻器两端的电压为    <Object: word/embeddings/oleObject35.bin>
滑动变阻器接入电路的电阻        <Object: word/embeddings/oleObject36.bin>
B不符合题意;
C.灯泡L2的电阻为                   <Object: word/embeddings/oleObject37.bin>
接入灯L2时,电路中的电流为              <Object: word/embeddings/oleObject38.bin>
C符合题意;
D.此时电流对滑动变阻器和灯L2每秒做的功(即整个电路所做的功)  <Object: word/embeddings/oleObject39.bin>
D不符合题意。
故选C
10D
解析ABC.分析电路图可知,R0定值电阻与Rx压敏电阻串联,电压表测量R0两端电压,由于压敏电阻阻值随压力增大而减小,则Rx上方压力增大时,Rx的阻值减小,则电路中的总电阻减小,由欧姆定律可知,电路中电流增大,则通过R0的电流变大,由U=IR可知,R0两端电压变大,故ABC错误;
D.由于电路中总电压不变,电路中电流增大,由P=UI可知,电路的总功率变大,故D正确。
故选D
11     18     2000
解析[1]由图知,电能表前后示数W1=351.5 kW·hW2=369.5kW·h,电动汽车充满一次电获得的能量
<Object: word/embeddings/oleObject40.bin>
[2]充电时间                  <Object: word/embeddings/oleObject41.bin>
该汽车充电器的电功率         <Object: word/embeddings/oleObject42.bin>
12     
60860b792bc52d0a3a25f5799ba81567.png        3.8     变小
解析】(1[1]电压表与灯泡并联,因为灯泡的额定电压为3.8V,所以电压表选用0~15V的量程,电流表串联在电路中,由图丙可知,电路中的最大电流小于0.6A,因此电流表选用0~0.6A的量程,如图所示:

60860b792bc52d0a3a25f5799ba81567.png   
2[2]因为灯在额定电压下正常发光,所以闭合开关后移动变阻器的滑片,当电压表示数为3.8V时,读出电流表示数,即可计算小灯泡的额定功率。
3[3]由图甲可知,当滑片向右滑动时,变阻器连入电路中的电阻变小,由欧姆定律可知电路中电流变大,灯的电压变大,根据P=UI,灯的功率变大,灯丝的温度升高,因灯丝的电阻随温度的升高而变大,故灯丝的电阻变大;由<Object: word/embeddings/oleObject43.bin>可知,电流表与电压表示数的比值为灯丝的电阻的倒数,故电流表与电压表示数的比值将变小。
13     
da012a32b943d7802930bace02cc109d.png        C     0.75     先增大,后减小为零
解析】(1[1]由题意可知电压表接0-3V接线柱,电流表接0-0.6A接线柱,滑动变阻器接右下角、左上角,故电路图如下

da012a32b943d7802930bace02cc109d.png   
2[2]闭合开关,发现小灯泡不亮,电流表、电压表均有正常偏转,但偏转角度较小,可能是灯泡的电功率太小导致的,故应该移动滑动变阻器来观察灯泡的亮度,故C符合题意,AB不符合题意。
故选C
3[3]电流表示数如图乙所示,此时电流表的分度值为0.02A,此时电流表示数为0.3A,根据电功率公式可得灯泡的额定功率为                <Object: word/embeddings/oleObject44.bin>
4[4]电路消耗的总功率                <Object: word/embeddings/oleObject45.bin>
则滑动变阻器消耗的功率                <Object: word/embeddings/oleObject46.bin>
从图丙中可知,在电流逐渐增大的过程中,PPL的差先增大,后减小为零,故滑动变阻器的功率大小变化是先增大,后减小为零。
14     U形管中液面高度差     电阻     5Ω
解析】(1[1]电流通过导体产生热量的多少不能直接观察,根据转换法,可以通过U形管两侧液面高度差的变化来反映。
2[2]图甲中容器中的电阻丝串联起来接到电源两端,通过它们的电流与通电时间相同,右侧容器内电阻较大,B管液面上升得更高,说明右侧容器内电阻产生的热量较多,说明电流通过导体产生热量的多少与电阻有关。
3[3]探究电流产生热量跟电流关系时,根据控制变量法,应控制通电时间和电阻不变,因此,乙图中右边容器等于左边容器中的阻值,大小为
15     导线断路     0.75     D     见解析
解析】(1[1]电流表示数始终为零,电路可能断路,电压表示数始终为3V,说明电压表与电源连通,电压表的示数等于电源电压,电源电压是3V,已知仅导线发生故障,则图甲中导线发生了断路,导致电压表串联在电路中了。
2①[2]根据U-I图像可知,灯在额定电压下的电流为0.3A。小灯泡的额定功率为  P=ULI=2.5V×0.3A=0.75W
②[3]根据U-I图像可知,灯的电压为0.5V时,电流为0.1A,由串联电路的规律及欧姆定律,此时,实验中所使用的滑动变阻器连入电路的电阻为     <Object: word/embeddings/oleObject47.bin>
故变阻器的规格可能为30Ω 1A,故选D
3[4]因灯泡的电阻随温度的升高而增大,则可知灯泡的U-I图像是一条向上的曲线(图丙中的实线);电源电压为3V,灯的UI图像与变阻器电流随电压的变化关系图像交点,表示灯的电压与变阻器的电压相等,由串联电路电压的规律,此时灯与变阻电压的电压都为1.5V,如图所示:

b9b0b28f494d885e9afdc2f7f6023607.png
故他画出的变阻器的U-I图像应为图丙中的
16B
解析A.当滑动变阻器的滑片P移至B端时,滑动变阻器的最大阻值和灯泡串联,由图像可知,当电压表示数为1.5V时,电路中的电流I=0.3A,滑动变阻器两端的电压    U=IR=0.3A×10Ω=3V
因串联电路中总电压等于各分电压之和,所以,电源电压    U=UL+U=1.5V+3V=4.5V
A正确,不符合题意;
BCD.由图像知道,灯泡两端的电压为3V时,电路中的电流I′=0.5A,因额定电压下灯泡的实际功率和额定功率相等,所以,灯泡的额定功率        PL=ULI′=3V×0.5A=1.5W
此时滑动变阻器两端的电压          U′=U-UL=4.5V-3V=1.5V
滑动变阻器接入电路中的电阻             <Object: word/embeddings/oleObject48.bin>
滑动变阻器消耗的电功率             P′=UI′=1.5V×0.5A=0.75W
B错误,符合题意,CD正确,不符合题意。
故选B
17     0.6     B     L1
解析】(1[1]根据图乙可知,电流表选择量程0~0.6A,分度值为0.02A,则灯泡的额定电流为0.24A,则灯泡的额定功率                      P=UI=2.5V×0.24A=0.6W
2[2]根据公式P=I2R可知,如果灯泡的电阻不变,那么灯泡的实际功率与电流的平方成正比,即二者变化的图像为一条通过坐标原点的斜线。实际上,电流越大,温度越高,灯丝的电阻越大,实际功率越大,即电流相同时,实际功率大于前者,二者变化的图像向纵轴弯曲靠近,故选B
3[3]根据公式<Object: word/embeddings/oleObject49.bin>可知,灯泡L1的电阻大于L2的电阻;在串联电路中,电功率与电阻成正比;因此灯泡L1的实际功率大于L2的实际功率,则灯泡L1更亮。
18     热效应     400W     <Object: word/embeddings/oleObject50.bin>
解析】(1[1]电流通过导体时会产生热量,这就是电流的热效应,智能炒菜机在烹制食物时,主要是利用电流的热效应。
2[2]由图乙可知,电路的发热体与电动机并联,两端电压都等于电源电压,要使智能炒菜机处于低温挡,即发热体总功率最小,根据<Object: word/embeddings/oleObject51.bin>可知,发热体的总电阻最大,当只有S1闭合时,两电阻串联,发热体的总电阻最大,此时发热体的总电阻为    <Object: word/embeddings/oleObject52.bin>
根据<Object: word/embeddings/oleObject53.bin>可得,当智能炒菜机处于低温挡时,发热体的功率是   <Object: word/embeddings/oleObject54.bin>
3[3]要使智能炒菜机处于高温挡,即发热体总功率最大,根据<Object: word/embeddings/oleObject55.bin>可知,发热体的总电阻最小,当两个开关都闭合时,发热体的电阻R2被短路,发热体的电阻最小,正常工作30分钟,发热体消耗的电能为
<Object: word/embeddings/oleObject56.bin>
电动机消耗的电能为          <Object: word/embeddings/oleObject57.bin>
则整个电路消耗的电能为           <Object: word/embeddings/oleObject58.bin>
19.(15.5A;(288W;(3510
解析】解:(1)电饭锅正常加热时的电流为    <Object: word/embeddings/oleObject59.bin>
2)电饭锅处于保温状态下正常工作5分钟耗电2.64×104焦,则电饭锅保温时的功率
<Object: word/embeddings/oleObject60.bin>
3)根据<Object: word/embeddings/oleObject61.bin>可知,当开关S断开时,R1R2串联为保存状态,则保温时电阻为
<Object: word/embeddings/oleObject62.bin>
当开关S闭合时,R1单独串联为加热状态,则R1的电阻为   <Object: word/embeddings/oleObject63.bin>
R2的电阻为             <Object: word/embeddings/oleObject64.bin>
答:(1)该电饭锅正常加热时的电流强度为5.5A
2)该电饭锅保温时的功率为88W
3)电阻R2的阻值为510欧。
20.(16V;(230Ω;(3144J
解析】解:(1)当只闭合开关S时,电路只有已知电阻有电流通过,电源电压为
<Object: word/embeddings/oleObject65.bin>
2)两开关都闭合时,两个电阻并联,通过已知电阻的电流不变。通过待测电阻的电流为
<Object: word/embeddings/oleObject66.bin>
待测电阻阻值为                <Object: word/embeddings/oleObject67.bin>
3)当两个开关均闭合,2min电阻Rx消耗的电能为    <Object: word/embeddings/oleObject68.bin>
答:(1)电源电压为6V
2)待测电阻的阻值为30Ω
3)电阻Rx消耗了144J电能。

您需要登录后才可以回帖 登录 | 立即注册

本版积分规则

Archiver|手机版|小黑屋|5432教案网 ( 蜀ICP备2022024372号-1 |川公网安备51152402000101号 )|网站地图

GMT+8, 2026-5-11 02:10 , Processed in 2.514202 second(s), 31 queries .

Powered by Discuz! X3.5

© 2001-2026 Discuz! Team.

快速回复 返回顶部 返回列表