找回密码
 立即注册
搜索
查看: 198|回复: 0

[浙教版] (九上)第22课 电能(原卷版)(导学案1)

[复制链接]

4万

主题

224

回帖

19万

积分

管理员

积分
194640
发表于 2026-3-25 03:45:58 | 显示全部楼层 |阅读模式
22  电能

课程标准
学习目标
  • 理解电能与电能表的使用
  • 电能与电功率的计算
  • 焦耳定律与非纯电阻电路
1.准确判断物质变化是物理变化还是化学变化
2.探究物质发生变化的过程以及现象
3.准确描述物质变化的类型以及表现出的形式

观察下列电器,判断其工作原理

e5b390ed8613406dc2bca76a7ba4783a.png
90a732a581478912897791ed1fdc4531.png
4a8902e24b666397aeff845b3afded6c.png
电能表电冰箱空调

ea8aac8ecf88c795f00fead65b8e6f0f.png
acbb32bb4b3917255ea416aa62395037.png
             微波炉                                            电动汽车

电功
1.定义:电流通过某段电路所做的功叫电功。
2.实质:电流做功的过程,实际就是电能转化为其他形式的能(消耗电能)的过程;电流做多少功,就有多少电能转化为其他形式的能,就消耗了多少电能。
电流做功的形式:电流通过各种用电器使其转动、发热、发光、发声等都是电流做功的表现。
3.规定:电流在某段电路上所做的功,等于这段电路两端的电压,电路中的电流和通电时间的乘积。
4.单位:国际单位是焦耳(J)常用单位:度(kwh)   1度=1千瓦时=1kwh=3.6×106J
5.测量电功:

a1a2be5e5a1aa394fe4e66b657fd65a2.jpg
⑴电能表:是测量用户用电器在某一段时间内所做电功(某一段时间内消耗电能)的仪器。
⑵电能表上“220V”“5A”“3000R/kwh”等字样,分别表示:电电能表额定电压220V;允许通过的最大电流是5A;每消耗一度电电能表转盘转3000转。
⑶读数:A、测量较大电功时用刻度盘读数。
  ①最后一位有红色标记的数字表示小数点后一位。
②电能表前后两次读数之差,就是这段时间内用电的度数。
二.电功率的计算
1.定义:电流在单位时间内所做的功
2.物理意义表示电流做功快慢的物理量。灯泡的亮度取决于灯泡的实际功率大小。 
3.电功率计算公式:P=UI=W/t(适用于所有电路)
 对于纯电阻电路可推导出:P=I2R=U2/R
  ①串联电路中常用公式:P=I2R    P1P2P3:…Pn=R1R2R3:…:Rn
  ②并联电路中常用公式:P=U2/R     P1P2=R2R1
  ③无论用电器串联或并联。计算总功率    常用公式P=P1+P2+Pn
4.单位:国际单位瓦特(W  用单位千瓦(kw
5.额定功率和实际功率:
⑴额定电压:用电器正常工作时的电压。
额定功率:用电器在额定电压下的功率。P额=U额I额=U2额/R
某灯泡上标有“PZ22OV-25”字样分别表示:普通照明,额定电压220V,额定功率25W的灯泡。
若知该灯“正常发光”可知:该灯额定电压为220V,额定功率25W,额定电流I=P/U=0.11A 灯丝阻值R=U2/P=2936Ω。
⑵当U=U时,P=P 用电器正常工作(灯正常发光)
UU时,PP 用电器不能正常工作(灯光暗淡),有时会损坏用电器
6.家庭电路电功率的计算
使用公式P=W/t  ,如电能表使用消耗电能多少千瓦时,可根据1千瓦时是功率为一千瓦的用电器工作一小时消耗的电能,可根据比例计算用电器电功率。
.焦耳定律及电热
1.焦耳定律: 
(1)1841年,英国物理学家焦耳发现载流导体中产生的热量Q(称为焦耳热)与电流I 的平方、导体的电阻R、通电时间t成正比,这个规律叫焦耳定律。
焦耳定律是一个实验定律。它的适用范围很广,纯电阻电路、非纯电阻电路在计算电热时都用到它。

97ca0085238b6ec6eb7cf805d4905827.png
(2)热功率:单位时间内导体的发热功率叫做热功率.热功率等于通电导体中电流I的二次方与导体电阻R的乘积.
(3)电功率与热功率:对纯电阻电路,电功率等于热功率   
即: P=I*U=I2R=U2/R
此时,可得U=IR,所以纯电阻电路也可以说是欧姆定律成立的电路
对非纯电阻电路,电功率等于热功率与转化为除热能外其他形式的功率之和.
2.电热
(1)电热:由于导体的电阻,使电流通过导体时消耗的电能中转化为内能的那一部分能量叫电热。
(2)内容:电流通过导体时产生的热量等于电流的平方、导体的电阻和通电时间的乘积。
(3)公式:Q=I2Rt.
(4)适用对象:凡是要计算电热,都应首选Q=I2Rt,可求任何电路中电流I通过电阻R时所产生的热量。
3.热功率的意义及计算
1)热功率:单位时间内发热的功率叫作热功率。热功率即电能转化为内能的功率,
即:P=Q/t=I2R
2)热功率计算:当电路不是纯电阻电路时,电功用W=UIt来计算,电热Q只能用Q=I2Rt进行计算,电功率用P=IU计算,热功率只能用P=I2R
计算。
4.电热的档位问题:
1)串联电路:如图所示R1>R2根据P=U2/R可得出
高温档:R2单独工作中温档:R1单独工作低温档:R1,R2同时工作
2)并联电路:如图所示R1>R2根据P=U2/R可得出
高温档:R1,R2同时工作中温档:R2单独工作低温档:R1单独工作

7bf40aaee3c4b99e1825666c56ed12e6.png
1adc268265e35b77ba68cff3cc5c39e7.png
.纯电阻电路与非纯电阻电路
1.纯电阻电路:电能全部转化为内能
2.非纯电阻电路:电能转化为内能和其它形式能。其中:内能应只占少部分。
对于含电动机的电路,其它形式能为机械能;对于含电解槽的电路,其它形式能为化学能。<Object: word/embeddings/oleObject1.bin>
3.总功率:P=IU
4.热功率:P=I2R
.电池容量的计算

b1dc116741b94f38f33208a63ead64d2.png
b60e9eb4688bd6a559370f17738e324e.png
1.定义:电池容量是衡量电池性能的重要性能指标之一,它表示在一定条件下电池放出的电量,即电池的容量,通常以·小时为单位
2.计算:由W=UIt可知:电池携带的功为:电容量乘以输出电压。

一、选择题
1.有两个电路元件A和B,流过元件的电流与其两端电压的关系如图所示,下列说法正确的是(  )

7393c0cc3d994a1e0d1a500a444e70dc.png
A.A的电阻值为<Object: word/embeddings/oleObject2.bin>
B.当A和B串联,两者电阻相同时,电源电压为3V
C.A和B串联,电路中电流为0.4A时,A、B的电压之比为5∶4
D.A和B并联在电压为2.5V的电源两端,A、B的电功率之比为5∶4
2.小灿学习了焦耳定律的知识后,设计了如图所示装置探究电流产生的热量与哪些因素有关。其中甲、乙、丙三个密闭容器中密封着等量的空气,请你分析下列相关说法错误的是(  )

a00c1dd00542a5d81dbd49af8dee297b.png
A.甲、乙可以研究电流产生的热量与电阻的关系
B.甲、丙可以研究电流产生的热量与电流的关系
C.通电一段时间后,U形管中两侧的液面高度差最大的是丙
D.U形管中液面高度的变化用来反映电流产生的热量的多少
3.小科设计了一个具有加热和保温功能的电热器模型,加热与保温的功率之比为3∶1,其中R1=10Ω、R2=20Ω,若电源电压不变,则符合小科要求的电路图是(  )
A.
1f60fe324c55f919141a80c54383561c.png B.
a124dde2ca05dd8898fa8448129df1c7.png C.
7b7c1ef8803bf71a0b4b7c1da0295fe9.png D.
1fb9f14211662a1fe6b86c0851f9008b.png
4.小科用如图所示的电路探究“电流通过导体产生热量多少与电阻的关系”,下列说法正确的是(  )

5392e6b8d1c0da0384d6f786a54e6b96.png
A.玻璃管越粗实验现象越明显
B.两烧瓶中分别装等质量的水和煤油
C.需控制两烧瓶中电阻丝的长度、横截面积、材料均相同此
D.该装置还可研究电流通过导体产生的热量与电流大小的关系
5.两个灯泡Ll和L2额定电压均为6V,将两灯串联后接入电路中,接通后发现L2要亮一些,则下列判断正确的是 (  )
A.L1的电阻比L2大        B.串联时L1两端电压比L2
C.L2的额定功率比L1大        D.若两灯并联,通过L1的电流比L2
6.如图所示电路中的a、b、c为三只电表(电压表或电流表),闭合开关S,标有“6V  6W”的灯泡L1正常发光,标有“12V  6W”的灯泡L2虽能发光但较暗,若不考虑温度对灯丝电阻的影响,下列说法正确的是(  )

4ce73a358711a76f449918cefffc2394.png
A.电路总功率为7.5 W        B.电表a为电流表,且示数为1A
C.电表b为电压表,且示数为6 V        D.电表c为电压表,且示数为12 V
7.标有“6V1.5W”的小灯泡,通过它的电流随两端电压变化的关系如图所示,若把这样的两只灯泡串联起来,接在8伏的电源两端,则电路的总功率为(  )

2349ec4f1a39cdf0555787340c559f07.png
A.0.8W        B.1.6W        C.2.4W        D.3.2W
8.如图所示是电阻甲和乙的UI图像,下列说法正确的是(  )

49fd5a3ee73889cdb589772ea8abe852.png
A.甲、乙两元件的电流与电压都成正比
B.乙元件是一个定值电阻且阻值大小为10Ω
C.甲、乙并联在电路中,当电源电压为2V时,电路的总电流为0.3A
D.甲、乙串联在电路中,当电路电流为0.2A时,甲的功率为0.6W
9.如图所示电路中,电源电压为12V,在ab间接入灯L1“6V 2W”,闭合开关,调节滑动变阻器的滑片P使灯L1正常发光;断开开关,取下灯L1,保持滑片P的位置不变,若在ab间接入灯L2“6V 3W”,闭合开关,则(  )

5279a86a1fd5eb96bc0c8109d92aac84.png
A.灯L2正常发光        B.滑动变阻器接入电路的电阻为5Ω
C.通过L2的电流为0.4A        D.滑动变阻器和灯L2每秒做功5J
10.如图为某电子秤的简化电路,<Object: word/embeddings/oleObject3.bin>是定值电阻,<Object: word/embeddings/oleObject4.bin>是压敏电阻,其阻值随压力增大而减小,电源电压不变,闭合开关S,当<Object: word/embeddings/oleObject5.bin>上方压力增大时,下列描述正确的是(  )

64bcec510a46c61e20d619f3995778a0.png   
A.电压表示数变小        B.通过<Object: word/embeddings/oleObject6.bin>的电流变小
C.电路的总电阻变大        D.电路的总功率变大
二、填空题
11.小齐家最近购买了一辆电动汽车,为了测量电动汽车充电器的功率,晚上11点整,他关闭了家中其他用电器,使用充电器对电动汽车进行充电,同时记下了开始充电时电能表的读数
57f0b941c26e2350a60ed920a4c98d8e.png ,小齐于第二日早晨发现正好8点完成充电,此时,电能表如图所示,不考虑能量损失,电动汽车充满一次电获得的能量为 kW·h,该汽车充电器的电功率为W。

6ad2a0b5782bbeabf1efca98b9b4a4b9.png
三、探究题
12.学习小组开展“测量小灯泡的功率”实验,实验电路如图甲,绘制出小灯泡的<Object: word/embeddings/oleObject7.bin>关系曲线如图乙,已知小灯泡的额定电压为3.8V,电源电压恒为6V。

05f2ef8de07658b650e7171df67d5c3b.png   
(1)依据图甲,请在答卷上用笔画线代替导线,将图乙中的实物图补充完整;
(2)闭合开关后移动变阻器的滑片,当电压表示数为V时,读出电流表示数,即可计算小灯泡的额定功率;
(3)实验时,变阻器的滑片向右移动过程中,电流表与电压表示数的比值将(选填“变大”、“不变”或“变小”)。
13.如图所示是测定“小灯泡电功率”实验的装置图,选用2节新干电池、额定电压为2.5伏的小灯泡和滑动变阻器。请回答:

ad1067a8a3fc692f84db4e426cdc3e3b.jpg   
(1)请用笔画线代替导线,将图甲中电路连接完整;
(2)正确连接电路后,闭合开关,发现小灯泡不亮,电流表、电压表均有正常偏转,但偏转角度较小。则接下来应进行的操作是;
A.更换小灯泡
B.检查电路是否断路
C.移动滑动变阻器滑片,观察灯泡发光情况
(3)调节滑片P至某位置时,小灯泡恰好正常发光,此时电流表示数如图乙所示,则小灯泡的
额定功率为瓦;
(4)在滑动变阻器滑片移动过程中,电路消耗的总功率、小灯泡消耗的功率随电流变化如图丙所示,请判断随电流增大,滑动变阻器的功率大小变化是。
14.小科用如图的实验装置探究“电流通过导体产生的热量与哪些因素有关”,相同的两个透明容器中密封着等量、等温的空气。

32cf5df9b840f6d1628a2c18e9b4d0e8.png
(1)本实验是通过观察的变化来反映电流产生热量的多少;
(2)图甲中的A、B两管,在通电时间相等时,B管液面上升得更高,说明电流通过导体产生热量的多少与有关;
(3)用乙图中的装置探究“电流产生热量的多少与电流大小是否有关”时,右边容器中应选用阻值为的电阻丝。
15.小明用图1所示电路来测量小灯泡的电功率(部分器材的规格已标明)。

040b7ce66f29d40bce805568d90d7e41.png
(1)闭合开关进行实验,小明发现无论怎样调节滑动变阻器,电压表示数始终为3V,而电流表示数始终为零。已知仅图1中导线①、②或③中的一根发生故障,请指出发生故障的导线,并写出故障名称:;
(2)小明进行了六次实验,记录实验数据并在U-图像中描点,得到小灯泡两端的电压与电流的关系图像如图2所示。则根据记录的数据和图像可知:
①小灯泡的额定功率为W;
②实验中所使用的滑动变阻器的规格可能为;
A.5Ω 2A            B.10Ω 2A            C.20Ω 1A            D.30Ω 1A
(3)实验结束后,小明继续对滑动变阻器两端电压与通过它的电流关系进行探究,画出了对应的U-图像(如图3),请你在图中“①”、“②”或“③”三条虚线中选择正确的一条,并说明你选择的依据。
16.小灯泡L的额定电压为3V,它的I-U图像如图甲所示,把灯泡接入如图乙所示的电路中,先将滑动变阻器的滑片P移至B端,闭合开关,电压表示数为l.5V;再将滑片P向左移动直到电压表示数为3V。已知电源电压恒定,滑动变阻器的铭牌上标有“10Ω 2A”。下列说法中错误的是(  )

7cbe4c7209a3aac2c3ebb220a821ac99.png
A.电源电压为4.5V
B.灯泡正常发光时,滑动变阻器消耗的电功率为2.5W
C.灯泡正常发光时,滑动变阻器接入电路的阻值为3Ω
D.灯泡的额定功率为1.5W
17.小金利用图甲的电路测量小灯泡的电功率。小灯泡的额定电压为2.5伏。

a19aa2b30a0ab02eaf66610c4714c57e.png
(1)闭合开关,调节滑动变阻器,使小灯泡两端电压为2.5伏,此时电流表示数如图乙。则小灯泡的额定功率为瓦;
(2)调节滑动变阻器,记录多组电压、电流数据,计算小灯泡对应功率,完成实验,图丙是小金作出的小灯泡I-U图像。关于小灯泡功率P与通过其电流平方I2的关系。如图所示的图像中最合理的是。
A.
66ca0a90c18a2e010fc1f692b568cfa2.png B.
83ea9c8343d55d5336baf9ded024b894.png C.
a746ff469f46ee09078a979c9baaaf66.png D.
890c23e547a0a2d376b3f8e7fa3b8252.png
(3)小灯泡的亮度是由实际功率决定的,若将标有“220V 40W”灯泡L1和标有“220V 60W”灯泡L2串联后接到家庭照明电路中,灯泡更亮。
四、简答题
18.科技改变生活,随着智能技术的高速发展,智能家电已越来越多地走进千家万户。如图甲为某品牌智能炒菜机,内部电路可简化为图乙。已知额定电压为220伏,电动机的额定功率是40瓦,发热体有两个电阻,R1=24.2欧,R2=96.8欧。

9d83c0c3efb24bd84bab68e35a6fbabe.png   
(1)“智能炒菜机”在烹制食物时,主要利用了电流的;
(2)当“智能炒菜机”处于低温挡时,发热体的功率是多少;
(3)当“智能炒菜机”处于高温挡正常工作30分钟,求整个电路消耗的电能。
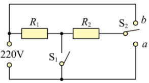
19.如图为家用电饭锅的简化电路图。该电饭锅有加热和保温两挡,由开关S调节,其中R1R2均为发热电阻,且阻值不随着温度的变化而改变。额定电压为220V,正常加热时功率为1210W,电饭锅处于“保温”状态下正常工作5分钟耗电2.64×104焦。求:
(1)该电饭锅正常加热时的电流强度;
(2)该电饭锅保温时的功率P保温
(3)电阻R2的阻值;

73acedfba7eb8760c3b7b0c49833d3b3.png   
20.小滨同学用一个电流表和阻值为20Ω的电阻<Object: word/embeddings/oleObject8.bin>测某未知电阻<Object: word/embeddings/oleObject9.bin>的阻值,设计的电路如图所示。只闭合开关S时,电流表的示数为0.3A;同时闭合开关S、<Object: word/embeddings/oleObject10.bin>后,电流表的示数为0.5A,电源电压保持不变。求
(1)电源电压;
(2)电阻<Object: word/embeddings/oleObject11.bin>阻值;
(3)同时闭合S、S1,2分钟,电阻<Object: word/embeddings/oleObject12.bin>消耗的电能?

您需要登录后才可以回帖 登录 | 立即注册

本版积分规则

Archiver|手机版|小黑屋|5432教案网 ( 蜀ICP备2022024372号-1 |川公网安备51152402000101号 )|网站地图

GMT+8, 2026-5-11 02:10 , Processed in 1.476843 second(s), 32 queries .

Powered by Discuz! X3.5

© 2001-2026 Discuz! Team.

快速回复 返回顶部 返回列表