找回密码
 立即注册
搜索
查看: 95|回复: 0

[人教版] (选必3)1.2.2 有机化合物实验式、分子式、分子结构的确定(解析版)(导学案1)

[复制链接]

4万

主题

224

回帖

19万

积分

管理员

积分
197640
发表于 2026-4-3 06:03:33 | 显示全部楼层 |阅读模式
  • 有机化合物的结构特点与研究方法
第二节   研究有机化合物的一般方法
  • 有机化合物实验式、分子式、分子结构的确定

ebba3c46d7188b3adf0ec516673616b9.png
  • 能依据元素分析和质谱数据推断有机化合物的分子式。
  • 能依据波谱分析数据推断简单有机化合物的分子结构。

8782edf28c15ac32d21d6947456ef67c.png
教学重点:有机化合物的实验式、分子式和分子结构的确定方法
教学难点:有机化合物的实验式、分子式和分子结构的确定方法

afa63b075e40656b6af52147aad05a2a.png
一、有机化合物实验式的确定
1.元素定性分析——确定有机物的元素组成
一般是将一定量的有机物燃烧,转化为简单的无机物。
2.元素定量分析——确定有机物的实验式(简式)
1)原理:通过无机物的质量推算出该有机物所含各元素的质量分数,然后计算出该有机物分子内各元素原子的,确定其(也称)。
2)测定步骤(李比希法)

58f067a91ad5a444f3f9513a8f55398f.png
【例1
某含CHO三元素的未知物A,经燃烧分析实验测定该未知物中碳的质量分数为52.2%,氢的质量分数为13.1%。则:
氧的质量分数为
CHO的原子个数比:N(C)N(H)N(O)=
该未知物的实验式为
二、有机化合物分子式的确定——质谱法
快速、精确测定相对分子质量的重要方法是,测定时只需要很少量的样品。
1.质谱法
(1)原理

63a18316019089cd8cf7ddd92e13d97d.png
(2)质荷比
是指分子离子、碎片离子的的比值,即质荷比。
【例2
1.以上例题未知物A的相对分子质量为
2. 未知物A的结构式为

19c4d9641c694b9d5ded58850d4be136.png
三、有机化合物分子结构的确定
确定比较复杂的有机化合物的分子结构,仅靠质谱法是很难完成的,需要借助其他现代分析仪器,进行等波谱分析。
1、红外光谱     
(1)红外光谱利用有机化合物受到红外线照射时,能吸收与 的振动频率相同的红外线,通过红外光谱仪的记录形成该有机化合物的
(2)谱图中不同化学键或官能团的吸收频率,因此分析有机化合物的红外光谱图,可获得分子中所含有的信息。
【例3
以上例题未知物A的红外光谱图如下:可推出未知物A里面所含有的化学键有
未知物A的结构式为

8ac7e5a324fcc8c638146b0fadc2e331.jpg
  • 核磁共振氢谱图
(1)氢原子核具有磁性,如果用电磁波照射含氢元素的化合物,其中的氢核会吸收特定频率电磁波的能量而产生现象,用核磁共振仪可以记录有关信号。
(2)处于不同化学环境中的氢原子因产生共振时吸收电磁波的频率,相应的信号在谱图中出现的位置也 ,具有不同的 (用表示,而且 成正比。吸收峰的数目等于,吸收峰面积比等于
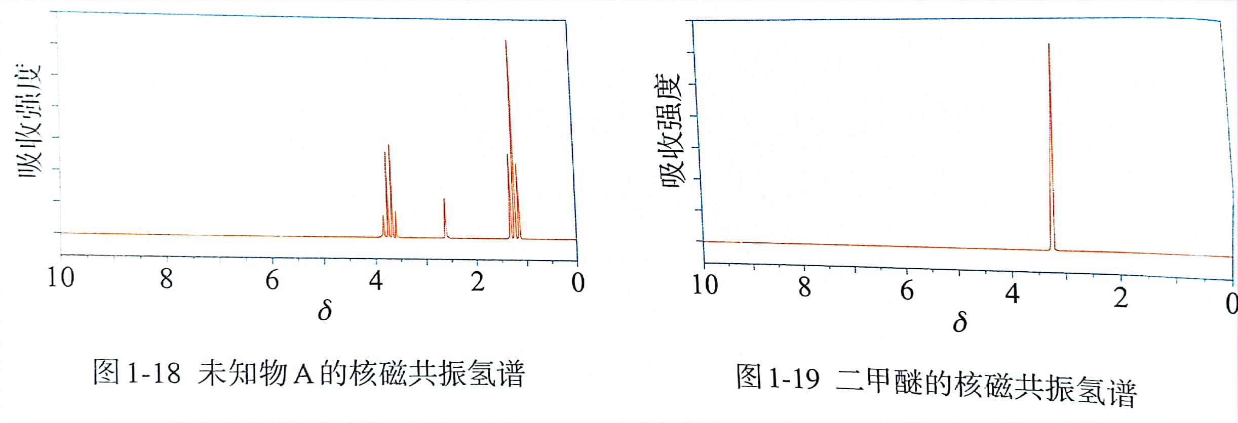
【例4
  • 以上例题未知物A的核磁共振氢谱图如下:可推出未知物A所含有的氢原子种类有         种,其数目比为         ;未知物A的结构式为             。

73cc4b1d22eed8304226caa0bc98f37c.jpg
【思考与交流】
红外光谱与核磁共振氢谱分别是怎样确定相关的结构的?

3.X射线衍射谱
(1)原理
X射线是一种波长很短(约10m)的电磁波,它和晶体中的原子相互作用可以产生衍射谱图。
(2)应用
经过计算可以从中获得分子结构的有关数据,包括等分子结构信息。将X射线衍射技术用于有机化合物(特别是复杂的生物大分子)晶体结构的测定,可以获得更为直接而详尽的结构信息。
【答案】
一、简整数比,实验式  简式
【例1
34.7   261    C2H6O
二、质谱法    相对质量   电荷数   
【例2
46      
d3d5e61bc50bb475389887ffcd071c1b.png
三、红外光谱、核磁共振氢谱、射线衍射谱
1.它的某些化学键或官能团     红外光谱图    不同        化学键或官能团

d3d5e61bc50bb475389887ffcd071c1b.png 【例3
C—OC—HO—H     
2核磁共振    不同      不同     化学位移     δ     吸收峰的面积     氢原子数
氢原子的种类    氢原子数目之比

d3d5e61bc50bb475389887ffcd071c1b.png 【例4
3    3:2:1   
【思考与交流】

1704f4ea50ba9a4e378ba1857332641a.png
3.键长   键角

ff89513ce61f3424b0df47de95f9eecf.png
  • 有机物的天然提取和人工合成往往得到的是混合物,假设给你一种这样的有机混合物让你研究,一般要采取的几个步骤是   
A. 分离、提纯确定化学式确定实验式确定结构式B. 分离、提纯确定实验式确定化学式确定结构式C. 分离、提纯确定结构式确定实验式确定化学式D. 确定化学式确定实验式确定结构式分离、提纯
【答案】B
【解析】
从天然资源提取的有机物,首先得到的是含有有机物的粗品,需经过分离、提纯才能得到纯品,再进行鉴定和研究未知有机物的结构与性质,一般先利用元素定量分析确定实验式,再测定相对分子质量确定分子式,因为有机物存在同分异构现象,所以最后利用波谱分析确定结构式,故对其进行研究一般采取的研究步骤是:分离、提纯确定实验式确定分子式化学式
86e942959781c222648bfa956211c475.png 确定结构式。故选B
  • 某有机物A的分子式为,红外光谱图如图所示,则A的结构简式为

76b8c132d3678e3ac9743ad06ac7a825.png A.         B. C.         D.
b1b5d2d563f1a6d1937b23e71c5ecf4c.png
【答案】A
【解析】
红外光谱图中显示存在对称的甲基、对称的亚甲基和醚键,可得分子的结构简式为
  • 二甲醚和乙醇是同分异构体,其鉴别可采用化学方法及物理方法,下列鉴别方法中不能鉴别这两种有机物的是
A. 利用质谱法        B. 利用红外光谱法C. 利用金属钠        D. 利用核磁共振氢谱
【答案】A
【解析】
A.二者属于同分异构体,相对分子质量相同,用质谱法不能鉴别,故A错误; B.二甲醚和乙醇中分别含有醚键和羟基,官能团不同,可用红外光谱法鉴别,故B正确; C.乙醇中含有,可与金属钠反应生成氢气,二甲醚不能反应,可鉴别,故C正确; D.二者含有的H原子的种类和性质不同,可用核磁共振氢谱鉴别,故D正确。
  • 下列化合物分子,在核磁共振氢谱图中能给出三种吸收峰的是
A.         B.
5ef47b9afe3eab957acc333176f3f1e6.png C.         D.
43aefb62dca2af1ab63bd5f8e8da080b.png
【答案】B
【解析】
A.中有2H原子,核磁共振氢谱有2个吸收峰,故A错误;B.2个甲基中H原子不同、亚甲基H原子与甲基不同,
f9db7390ba4ae8f5bd252ec133bad2d7.png 中有3H原子,核磁共振氢谱有3个吸收峰,故B正确;C.中有1H原子,核磁共振氢谱有1个吸收峰,故C错误;D.
470d7ec9b28e5d40ba60eb17a6440706.png 只有2个甲基,则核磁共振氢谱有2个吸收峰,故D错误。故选B
  • 下列四幅谱图是结构简式为、、和的核磁共振氢谱,其中属于的谱图是
A.
5c0a9d1781a50e2ff80f2b8b750c4ade.png B.
bd812116fa3bef130e20218b3c3b6d8b.png C.
b7b8a42432d293af4d257d6d6c9c48d0.png D.
e73ad7fe9a3b2468add7f59fcc65254a.png
【答案】A
【解析】
分子中有4种不同化学环境的氢原子,在其核磁共振氢谱中应有4个吸收峰。A项符合题意。
您需要登录后才可以回帖 登录 | 立即注册

本版积分规则

Archiver|手机版|小黑屋|5432教案网 ( 蜀ICP备2022024372号-1 |川公网安备51152402000101号 )|网站地图

GMT+8, 2026-5-26 15:57 , Processed in 3.079285 second(s), 31 queries .

Powered by Discuz! X3.5

© 2001-2026 Discuz! Team.

快速回复 返回顶部 返回列表