找回密码
 立即注册
搜索
查看: 14|回复: 0

[人教版] (必修3)滑动变阻器分压与限流接法(教案4)

[复制链接]

4万

主题

224

回帖

19万

积分

管理员

积分
190320
发表于 2026-4-8 06:46:02 | 显示全部楼层 |阅读模式
滑动变阻器分压与限流接法
郭雪鹏
安徽省临泉第一中学
  • 限流式接法
(人教版2019物理必修第三册71页第1题)
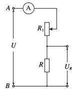
在图示电路中,A、B之间的电压为U,定值电阻的阻值为R,滑动变阻器的最大阻值为R1.在滑动变阻器的滑动端移动过程中,R两端电压UR的变化范围是多少?

bf7e4106f855d7d3c729b44a2b6e1534.png
定值电阻R与滑动变阻器串联接入电路,设滑动变阻器接入电路阻值为Rx,0<Rx<R1电流为
R两端电压为
<Object: word/embeddings/oleObject1.bin>
URRx增大的单调递减。当Rx取最大值R1URmin=<Object: word/embeddings/oleObject2.bin>。当Rx=0时,R两端电压最大为U。故R两端电压变化范围是<Object: word/embeddings/oleObject3.bin>~U
滑动变阻器采用限流式接法,电阻R两端电压变化范围较小,电压不能从零开始变化。
问题1:为保证R的电压变化范围较大,滑动变阻器的最大阻值R1应大一些还是小一些?
分析:URmin=<Object: word/embeddings/oleObject4.bin>,R1越大,URmin越小,R的电压变化范围较大。故采用限流式接法,应选择大阻值的滑动变阻器。
  • 分压式接法
(人教版物理必修第三册71页第2题)
图示电路常被叫作分压电路,当AB之间的电压为U时,利用它可以在C、D端获得0和U之间的任意电压。试说明其中的道理。

43a33bfe153b5c1a4fa6ded7958a3fd3.png
C端移到R最下端时,CD部分负载被短路,UCD=0,当C端移到R最上端,CD部分负载与R并联,UCD=U
分压式接法可获得0~U变化范围的电压,负载电压从0开始增大,变化范围较大。
(以下内容可根据学生程度选择是否讲解。)
在CD间接电阻R0,滑动变阻器下半部分电阻为Rx,上半部分电阻为(R-Rx),电路结构为R0RX并联,再和(R-Rx)串联。R0Rx并联后的阻值记为R0x
R0x与(R-Rx)串联,电流相等,电压与电阻成正比,有
利用几何画板软件作出UCD/U-k图像,

c687110a2479d6aa648f18cbbd99be9e.png
图像单调递增,即将滑片从下向上移动,UCD单调递增。
滑动变阻器选择分压接法,一般选取较小的阻值。
演示实验1   仿真物理实验室课件(见文件名 大电阻.exe)

13b4d4803e1e33ccced0953f72e8e76c.png
实验现象:滑动变阻器阻值为2000Ω,电阻为10Ω。当滑片从0移动90%时,电压表和电流表示数变化范围较小。
问题:为何滑动变阻器移动90%,电阻上的电压仍然很小?
分析:滑片移动90%,左侧电阻为1800Ω,与电阻R=10Ω并联后的阻值大约为10Ω。滑动变阻器右侧电阻占10%,为200Ω。10Ω与200Ω串联,电源电压大部分被滑动变阻器右侧电阻分担,电阻R上的电压较小。
演示实验2  (小电阻.exe)

3384e6d32675db3ddeb6a341505c9e8e.png
实验现象:滑动变阻器阻值为20Ω,电阻R=5欧姆。移动滑动变阻器,逐渐调节,电流和电压逐渐改变。
您需要登录后才可以回帖 登录 | 立即注册

本版积分规则

Archiver|手机版|小黑屋|5432教案网 ( 蜀ICP备2022024372号-1 |川公网安备51152402000101号 )|网站地图

GMT+8, 2026-4-17 10:51 , Processed in 0.993418 second(s), 32 queries .

Powered by Discuz! X3.5

© 2001-2026 Discuz! Team.

快速回复 返回顶部 返回列表