找回密码
 立即注册
搜索
查看: 9|回复: 0

[人教版] (必修3)11.3-1实验:游标卡尺与螺旋测微器(导学案2)

[复制链接]

4万

主题

224

回帖

19万

积分

管理员

积分
190320
发表于 2026-4-8 07:09:19 | 显示全部楼层 |阅读模式
第十一章3节 导体电阻率的测量
第1课时 实验:长度的测量及测量工具的选用
【学习目标】
1了解游标卡尺和螺旋测微器的结构及测量原理
2掌握游标卡尺和螺旋测微器的使用方法和读数方法。
【课前预习】
一、游标卡尺

a3335606166cdc2a041975b77ae9c0d9.png
1结构A主尺、B游标尺、C外测量爪、D内测量爪、E尺身、F紧固螺钉
2.原理:利用主尺的最小分度与游标尺的最小分度的差值制成。不管游标尺上有多少个小等分刻度,它的刻度部分的总长度比主尺上的同样多的小等分刻度少 1 mm
3.精度:对应关系为10分度0.1 mm20分度0.05 mm50分度0.02 mm
4.读数:主尺上读出的整毫米数x(即主尺上最靠近游标尺0刻线左侧的毫米数),从游标尺上读出与主尺上某一刻线对齐的游标的格数K,则读数结果xK×精度 mm
注意:(不需要估读,保留到分度值本位)
(1)10分度:主尺读数(换成mm)游标尺对齐格数×0.1mm     (保留mm的十分位)
(2)20分度:主尺读数(换成mm)游标尺对齐格数×0.05mm    (保留mm的百分位)
(3)50分度:主尺读数(换成mm)游标尺对齐格数×0.02mm    (保留mm的百分位)
二、螺旋测微器

b60b332dd56e9f3e36d6bf96f1817ca4.png
1结构A测砧、B固定刻度、C尺架、D旋钮、D´微调旋钮、E可动刻度、F测微螺杆、G锁紧装置
2.原理:测微螺杆F与固定刻度B之间的精密螺纹的螺距为0.5 mm,即旋钮D每旋转一周,F前进或后退0.5 mm,而可动刻度E环绕一圈的刻度为50等份,每转动一小格,F前进或后退0.01 mm,即螺旋测微器的精确度为0.01 mm。读数时估读到毫米的千分位上,因此,螺旋测微器又叫千分尺。
3.读数:固定刻度B读出整毫米数x,可动刻度E读出不够半毫米部分L(估读一位),读数结果xL (估读一位)×0.01(mm)
【学习过程】
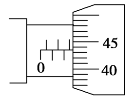
任务一:游标卡尺读数
[1]某同学利用游标卡尺测量一圆柱体工件的直径,测量结果如图所示。该工件的直径为________cm

f849887e5209050d9ea801e5eb474b59.png                           
[答案] 1.220 
[变式训练1-1]如图甲、乙所示的两把游标卡尺,它们的游标尺分别为9 mm10等分、19 mm20等分,则读数依次为________mm________mm

d46302908435af2670854798f05e8bdf.png
甲      乙
[解析] (1)题图甲读数:整毫米是17,不足1毫米数是5×0.1 mm0.5 mm,最后结果是17 mm0.5 mm17.5 mm
题图乙读数:整毫米是23,不足1毫米数是7×0.05 mm0.35 mm,最后结果是23 mm0.35 mm23.35 mm
[答案] (1)17.5 23.35
[变式训练1-2]某同学测定一金属杆的长度和直径,示数如图甲、乙所示,则该金属杆的长度和直径分别为________cm________mm

56f8ea273ce6102a3681061e417042cf.png
103779dc1736af970907b0ed151316c0.png
                             
[答案] 60.10 4.20
任务螺旋测微器读数
[2]某同学利用螺旋测微器分别测量一圆柱体工件的高度,测量结果如图所示。该工件的高度为________mm

a651a14ead013daaa5ada92ec9d94762.png
螺旋测微器的读数为h6.5 mm36.1×0.01 mm6.861 mm
[答案] 6.861
[变式训练2-1]分别写出下列图中的读数。

73a5afd7a3b05bc4863365e8cd311675.jpg          
e7552a8266590ac4d9ef90ed78661e83.jpg          
a32def56fe840267ebf44e4561d23f83.jpg         
2993cecbef211d083f3a50b11a281e0b.jpg
____________mm       mm        mm         mm
答案:0.049mm  0.990mm  1.025mm  2.989mm
[变式训练2-2]使用螺旋测微器测量金属丝的直径,示数如图所示,则金属丝的直径是________mm

8f91c230104c52c3930906e01a3d1cb0.png
[解析] 固定刻度示数为2.0 mm,不足半毫米的从可动刻度上读,其示数为14.0,最后的读数:2.0 mm14.0×0.01 mm2.140 mm
[答案]  (2)2.140
(2)螺旋测微器需要估读,读数结果为×.×××mm三位小数,需要特别注意半毫米刻度线是否露出。
[变式训练2-3]某同学用螺旋测微器测金属丝直径时,测得结果如图所示,则该金属丝的直径为________mm

d0f3320eae3e6833d1a93fbeb443154c.png
[答案] (1)2.935
[变式训练2-4]用螺旋测微器测量金属丝的直径,选不同的位置测量3次,求出其平均值D。其中一次测量结果如图所示,图中读数为________mm


9f11b9947f15f0ee69ea8608e5646d56.png
[答案]  0.5150.518 
您需要登录后才可以回帖 登录 | 立即注册

本版积分规则

Archiver|手机版|小黑屋|5432教案网 ( 蜀ICP备2022024372号-1 |川公网安备51152402000101号 )|网站地图

GMT+8, 2026-4-17 10:51 , Processed in 0.895354 second(s), 32 queries .

Powered by Discuz! X3.5

© 2001-2026 Discuz! Team.

快速回复 返回顶部 返回列表