找回密码
 立即注册
搜索
查看: 9|回复: 0

[人教版] (必修3)11.4-1串联电路和并联电路(导学案2)

[复制链接]

4万

主题

224

回帖

19万

积分

管理员

积分
190320
发表于 2026-4-8 07:09:55 | 显示全部楼层 |阅读模式
第十一章 第4节 串联电路和并联电路
【学习目标】
1知道串、并联电路的电流、电压和电阻的特点。
2掌握串、并联电路的相关计算。
3能够定性分析滑动变阻器的限流接法和分压接法的特点。
【学习过程】
任务一:串联电路的理解及计算
1情景讨论
今年过年,家里挂着小彩灯不小心被自己给压碎了一个,结果发现其它小彩灯也不亮了。
问题1:大家能否画出这些小彩灯的简单电路图?并分析为什么?(以三个彩灯为例,设电阻为R1R2R3)
小彩灯是串联电路,各彩灯电流相等且等于干路电流。II1I2I3

d1382b9625cf726fd3f4d19c344eb188.png
问题2:各电阻电压与总电压U有什么关系?
UU1U2U3
问题3:在该电路中,能否用一个电阻R等效替代三个电阻,如果能,满足什么样的关系?
UIRIR 1IR 2IR 3I(R 1R 2R 3)
RR 1R 2R 3
问题4:该电路中,各电阻电压之比为多少
U1U2U3IR 1IR 2IR 3R 1R 2R 3
2.总结串联电路特点
(1)电流:II1I2=…=In
(2)电压:UU1U2+…+Un
(3)等效电阻:RR1R2+…+Rn
3.探究应用——滑动变阻器限流接法特点
(1)如图所示电路中,AB之间的电压为U,定值电阻的阻值为R,滑动变阻器的最大值为R1。在滑动变阻器的滑动段移动过程中,R两端电压UR的变化范围是多少?

f0016ed61491944a1b7eaa192a45be35.png
任务二:并联电路的理解及计算
1情景讨论
路过天津大道的时候,偶然发现有个路灯不亮,但是旁边的路灯却正常的亮着。
问题1:大家能否画出这些小彩灯的简单电路图?并分析为什么?(以三个路灯为例,设电阻为R1R2R3)
各个路灯是并联关系,电压相等。UU1U2U3

5ddebec1134485cfcaa2d5af8716a4a0.png
问题2:通过每个路灯的电流与干路电流I有什么关系?
II1I2I3
问题3:在该电路中,能否用一个电阻R等效替代三个路灯,如果能,满足什么样的关系?

5d628a6054a428c33086125bf7bd762a.png
问题4:在该电路中,各支路电流之比为多少?
2.总结并联电路特点
(1)电流:II1I2+…+In
(2)电压:UU1U2=…=Un
(4)比例关系:I1R1I2R2=…=InRnIRU
3.探究应用
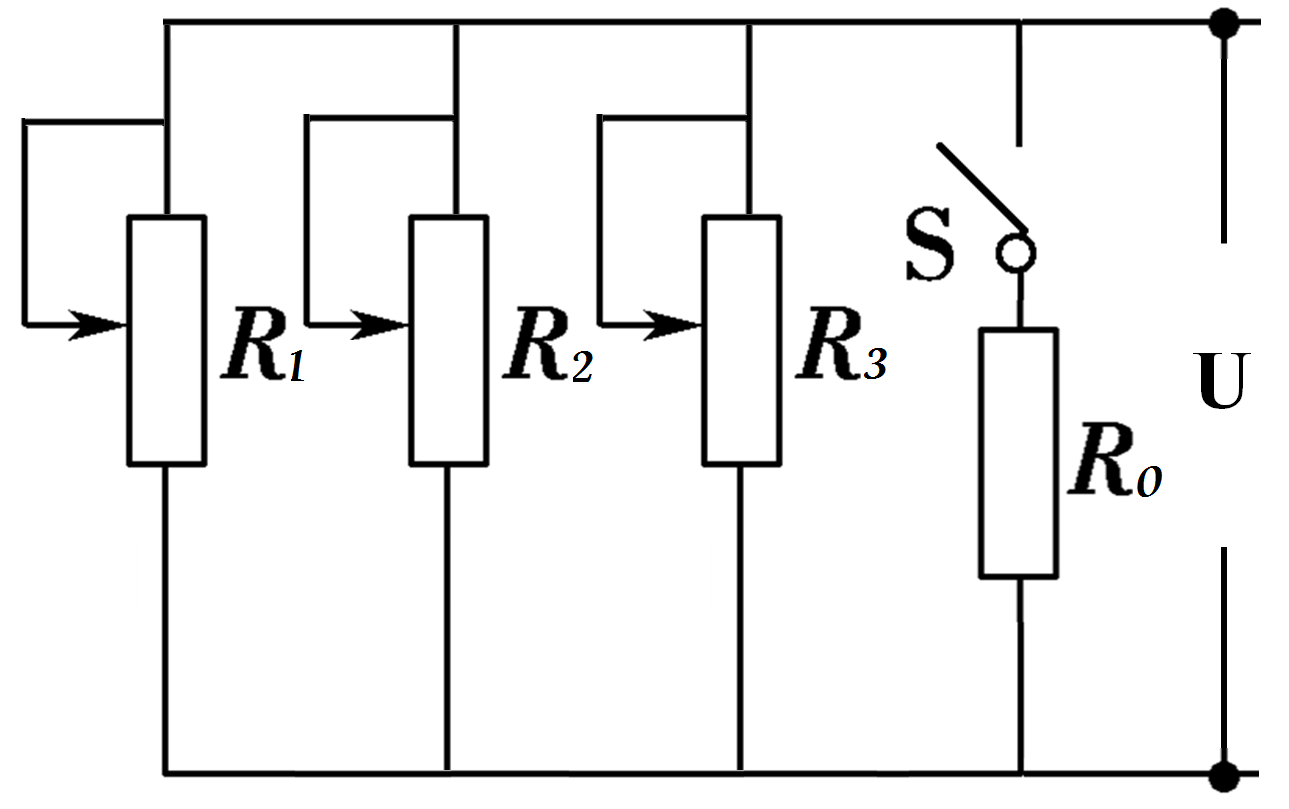
(1)如图所示,探究总电阻随各支路电阻的变化关系情况。

98b2071dd8f3c4cf33598235852d9327.png
问题1:在任意并联电路中,总电阻比每一支电路电阻大还是小?
问题2:如上图,保持开关S断开,如果R1R2R3R0,则总电阻等于多少?若有n个相同电阻并联,总电阻又是多少?
问题3:如上图,保持开关S断开,若其中支路R1滑片向上运动(支路电阻增大),其它电阻不变,那么总电阻怎么变化?
问题4:如上图,闭合开关S(即支路增多),那么总电阻怎么变化?
总结:
在并联电路中,有:
1总电阻比任意支路电阻都要小;
3若某一支路电阻增大,则总电阻增大;
4若并联支路增多,则总电阻减小。
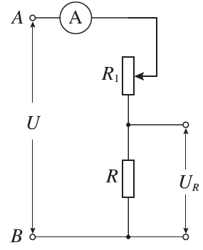
(2) 滑动变阻器分压接法特点
如图所示的电路常被叫作分压电路,当AB之间的电压为U时,CD之间接入一个电阻R0,则R0两端可以获得0U之间的任意电压,试通过串并联知识分析其中的原因。

030893ea6c52ddba2d44ae41f69181aa.png
2a64519ea27a6fbff67cb7f502fdb33f.png
98752d5c3db954f3459130e4212c09f0.png
f6aff937f7ab4f03a81efe967f560c3c.png
R0Rx并联,等效电阻为RR与(RRx)串联
滑片滑到下端时,Rx0R0,则UCD0;
滑片滑到上端时, RxRUCDU
所以UCD取值范围是0U
您需要登录后才可以回帖 登录 | 立即注册

本版积分规则

Archiver|手机版|小黑屋|5432教案网 ( 蜀ICP备2022024372号-1 |川公网安备51152402000101号 )|网站地图

GMT+8, 2026-4-17 10:49 , Processed in 0.883797 second(s), 32 queries .

Powered by Discuz! X3.5

© 2001-2026 Discuz! Team.

快速回复 返回顶部 返回列表