找回密码
 立即注册
搜索
查看: 10|回复: 0

[人教版] (必修3)12.3实验:电池电动势和内阻的测量(导学案2)

[复制链接]

4万

主题

224

回帖

19万

积分

管理员

积分
190320
发表于 2026-4-8 07:12:00 | 显示全部楼层 |阅读模式
第十二章3节 实验:电池电动势和内阻的测量
【学习目标】
1经历实验设计过程,理解测定电源电动势和内阻的实验原理。
2在理解实验原理的基础上,能完成测电源电动势和内阻的规范实验操作。
3学会利用图象处理数据并得出电源电动势和内阻,进一步体会利用图象进行数据处理的方法。
4尝试分析电源电动势和内阻的测量误差,了解实验中减小误差的方法。
【课前预习】
一、实验思路
实验电路如图所示,根据闭合电路的欧姆定律,改变R的阻值,测出两组UI的值,根据闭合电路欧姆定律可列出两个方程:

1b45bb0d0c84f92a13075e61de180a95.png
二、实验器材
待测电池一节,电流表(00.6 A)、电压表(03 V)各一块,滑动变阻器一只,开关一只,导线若干。
三、实验步骤
1.选定电流表、电压表的量程,按照电路图把器材连接好。
2.把滑动变阻器滑片移到电阻最大的一端(图中左端)

acd4c8fafa17a6e521e3643e94388ca3.png
3.闭合开关,调节滑动变阻器,使电流表有明显示数,读出电压表示数U和电流表示数I,并填入事先绘制好的表格(如下表)
实验序号
1
2
3
4
5
6
I/A
U/V
4.多次改变滑片的位置,读出对应的多组数据,并一一填入表中。
5.断开开关,整理好器材。
四、数据处理
1.公式法
把测量的几组数据分别代入EUIr中,然后两个方程为一组,解方程求出几组Er的值,最后对Er分别求平均值作为测量结果。
2.图像法
(1)I为横坐标,U为纵坐标建立直角坐标系,根据几组IU的测量数据在坐标系中描点。
(2)用直尺画一条直线,使尽量多的点落在这条直线上,不在直线上的点,能大致均衡地分布在直线两侧

b7f60fe72cf90a0b6ce67650788c0f8b.png
(3)如图所示:
图线与纵轴交点为E
五、误差分析
1.偶然误差:主要来源于电压表和电流表的读数以及作U­I图像时描点不准确。
2.系统误差:

febcb8a7130e9e3d251837ed8f390710.jpg
(1)选择甲电路图:由于电压表的分流作用,使得电流表上读出的数值I比流过电源的电流I要小一些,即IIIV
U越大IV越大,如乙图II偏差就越大
当电压表示数U0时,IV0III,因此短路电流测量值等于真实值
所以从乙图中可以直观地比较E<Er<r

ff605610c51e525e458b62ae2ff7744b.jpg
(2)选择丙电路图:由于电流表分压作用,使得电压表上读出的数值U比实际的路端电压U要小一些,即UUUA
电流表示数I越大,UA越大,如丁图UU偏差就越大
电流表示数I0时,UA0UUE因此开路电压测量值等于电动势真实值。所以从丁图中可以直观地比较EEr>r
说明:由丙图分析可知rrRA,要想减小误差,电源内阻r应远大于电流表的内阻RA。由于干电池内阻本身很小,所以若以干电池为实验对象时,常选择甲电路图。而由于水果电池的内阻可以达到几千欧,满足r远大于电流表的内阻RA,所以若以水果电池为实验对象时,常选择丙电路图。
六、注意事项
1.器材和量程的选择(以干电池为例)
(1)电池:选择内阻大些的、已使用过的电池
(2)电压表:在量程合适的前提下(3V为宜),选择内阻大一些的电压表
(3)电流表:电流表的量程选00.6 A(电池允许通过的最大电流为0.5 A)
(4)滑动变阻器:限流接法,待测电阻(干电池的内阻)较小,滑动变阻器选择阻值较小一点的。
2.实验操作:电池在大电流放电时极化现象较严重,电动势E会明显下降,内阻r会明显增大实验中不要将I调得过大,读电表示数要快,每次读完后应立即断电。
3.数据处理
(1)当路端电压变化不是很明显时,作图像时,纵轴单位可以取得小一些,且纵轴起点不从零开始,把纵坐标的比例放大。

1c60859a6deda9eead4214231f1ac39f.png
(2)U­I图像时,要使较多的点落在这条直线上或使各点均衡分布在直线的两侧,个别偏离直线太远的点可舍去不予考虑。这样,就可使偶然误差得到部分抵消,从而提高精确度。
【学习过程】
[1]小明利用如图所示的实验装置测量一干电池的电动势和内阻。

fef01b6727c30654f095c7ac020eba6b.png
(1)图中电流表的示数为________A
(2)调节滑动变阻器,电压表和电流表的示数记录如下:
U/V
1.45
1.36
1.27
1.16
1.06
I/A
0.12
0.20
0.28
0.36
0.44
请根据表中的数据,在坐标纸上作出U­I图线。

d0d3b102604599c7bf994114540a0610.png
由图线求得:电动势E________V,内阻r________Ω
(3)实验时,小明进行了多次测量,花费了较长时间,测量期间一直保持电路闭合。其实,从实验误差考虑,这样的操作不妥,因为_________________________________
[解析] (1)电流表选用量程为00.6 A,分度值为0.02 A,则其读数为0.44 A
(2)坐标系选择合适的标度,根据表中数据描点作出的U­I图线如图所示。

b9a4e2dee3135973530f7f59d31113a3.png
(3)长时间保持电路闭合,电池会发热,电池内阻会发生变化,干电池长时间放电,也会引起电动势变化,导致实验误差增大。
[答案] (1)0.44 (2)U­I图线见解析 1.60(1.591.62均可) 1.20(1.181.24均可) (3)干电池长时间使用后,电动势和内阻会发生变化,导致实验误差增大
[变式训练1-1]测定电池的电动势E及内阻r(E约为6 Vr约为1.5 Ω)。器材有量程为03 V的理想电压表V,量程为00.6 A的电流表A(具有一定内阻),定值电阻R8.5 Ω,滑动变阻器R′(010 Ω),开关S,导线若干。
(1)在图甲所示的虚线框中画出实验电路原理图,图中各元件需用题目中给出的符号或字母标出。
甲         乙
(2)在图乙所示的器件上,用笔画线代替导线完成实物连接图。
(3)实验中,当电流表读数为I1时,电压表读数为U1;当电流表读数为I2时,电压表读数为U2。则可以求出E______________r______________(I1I2U1U2R表示)
[解析] (1)电路图如图所示。

35f674b071314105e1b0d8a960fe0384.png
(2)将实物连接,如图所示。

7b10c423d078a6bbc943143291e447a3.png
(3)根据闭合电路欧姆定律得
[变式训练1-2] 为了测量一节干电池的电动势和内阻,某同学采用了伏安法,现备有下列器材:
A.被测干电池一节;
B.电流表1:量程00.6 A,内阻r0.3 Ω
C.电流表2:量程00.6 A,内阻约为0.1 Ω
D.电压表1:量程03 V,内阻未知;
E.电压表2:量程015 V,内阻未知;
F.滑动变阻器1010 Ω2 A;   
G.滑动变阻器20100 Ω1 A
H.开关、导线若干。
利用伏安法测电池电动势和内阻的实验中,由于电流表和电压表内阻的影响,测量结果存在系统误差。在现有器材的条件下,要尽可能准确地测量电池的电动势和内阻。
(1)在上述器材中请选择适当的器材:________(填写选项前的字母)
(2)实验电路图应选择图中的________(选填”)

c471711caa91fc18c4389bce3f82c149.png
甲     乙     丙
(3)根据实验中电流表和电压表的示数得到了如图丙所示的U­I图像,则干电池的电动势E________V,内电阻r________Ω
[解析] (1)选择适当的器材:A.被测干电池一节必须选择;电流表1的内阻是已知的,故选B;电压表选择量程03 VD;滑动变阻器选择阻值较小的“010 Ω2 A”FH.开关、导线若干必须选择。故选ABDFH
(2)因电流表的内阻已知,故实验电路图应选择图甲。
[答案] (1)ABDFH (2)甲 (3)1.5 0.7
[变式训练1-3]在用电压表和电流表测电池的电动势和内阻的实验中,所用电压表和电流表的内阻分别为1 kΩ0.1 Ω,如图所示为实验原理图及所需器件图。
(1)在图中画出连线,将器件按原理图连接成实验电路。

8363ddab8169d3ce688520f8c04dccc3.png
(2)一位同学记录的6组数据见下表,试根据这些数据在表格中画出U­I图像,根据图像读出电池的电动势E________V,求出电池内阻r________Ω
I/A
0.12
0.20
0.31
0.32
0.50
0.57
U/V
1.37
1.32
1.24
1.18
1.10
1.05
(3)若不作出图线,只选用其中两组UI的数据,用公式EUIr列方程求Er,这样做可能得出误差很大的结果,其中选用第________组和第________组的数据,求得Er误差最大。
[解析] (1)按照实验原理图将实物图连接起来,如图甲所示。

8353448b52ef55c6f03035de5ff09ec6.png
甲         乙
(3)由图线可以看出第4组数据点偏离直线最远,若取第3组和第4组数据列方程组求Er,相当于过图中34两点作一直线求Er,而此直线与所画的直线偏离最大,所以选用第3组和第4组数据求得的Er误差最大。
[答案] (1)见解析 (2)1.46 0.71 (3)3 4
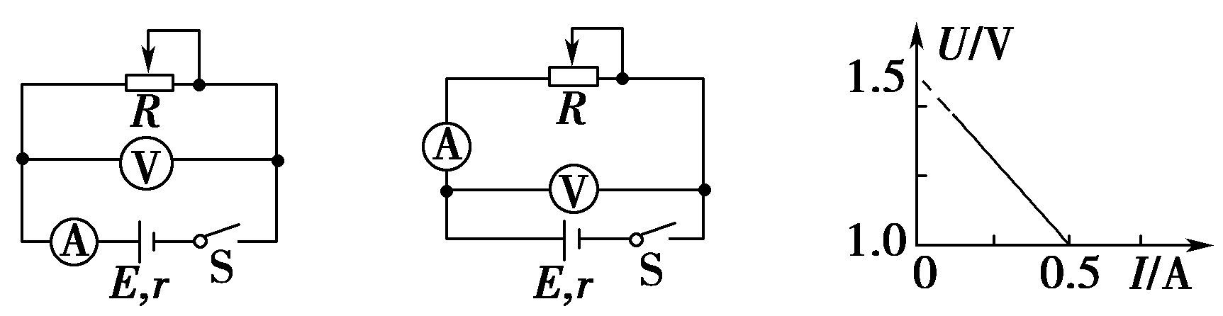
[变式训练1-4]测定电源的电动势和内阻的实验中,已连接好部分实验电路。

2f6bff487a8bd89063116a9dd08e77d4.png
甲      乙
(1)按如图甲所示的实验电路,把图乙中剩余的电路连接起来。
(2)在图乙所示的电路中,为避免烧坏电表,闭合开关前,滑动变阻器的滑片应置于________(选填AB”)端。
(3)如图所示是根据实验数据作出的U­I图像,由图可知,电源的电动势E________V,内阻r________Ω

3384f1eae176d19f43bca492e103d05c.png
[解析] (1)电路连接如图。

f2f9fb9d30650d9b45585ce8e2e9efc6.png
(2)闭合开关前,滑动变阻器接入电路中的阻值应该最大,故滑片应置于B端。
[答案] (1)见解析图 (2)B (3)1.5 1.0
您需要登录后才可以回帖 登录 | 立即注册

本版积分规则

Archiver|手机版|小黑屋|5432教案网 ( 蜀ICP备2022024372号-1 |川公网安备51152402000101号 )|网站地图

GMT+8, 2026-4-17 10:49 , Processed in 0.793079 second(s), 32 queries .

Powered by Discuz! X3.5

© 2001-2026 Discuz! Team.

快速回复 返回顶部 返回列表